产品中心
Product Center联系我们
地址:青岛市高新区宝源路780号青岛高新国际企业港46#103户
电话:0532-87836677
传真:0532-87836677
应用领域:
零点定位系统用于减少更换工装时间,可在金属切削和非金属切削等各领域中使用,也可在食品工业,化学工业和制药工业中使用。
说明:
内置安装型零点定位器具有夹紧力和拉紧力高等优点。通过气压解锁(1),通过弹簧力进行机械锁紧。锁紧状态下可以随时切断压力源,因为正常锁紧时不需要压力。带自动除屑和间隙感应功能的零点定位器有两个接口:1x气压解锁接口(1),1x自动除屑和间隙感应供气口(3)。(自动除屑和间隙感应供气口可根据实际情况选择是否接通。)
说明:

| 订货号 | 尺寸 | 夹紧力可达 | 拉紧力 | 吹屑 | 重量 |
| 562842 | K10.3 | 10 | 25 | ● | 1.4 |
| 562843 | K20.3 | 17 | 56 | ● | 2.6 |
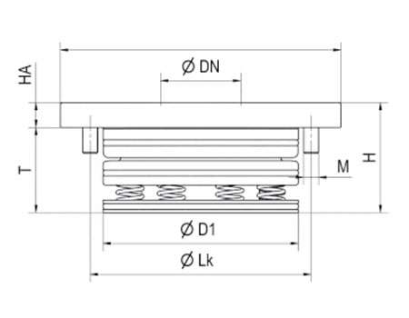
| 订货号 | 尺寸 | dia. D | dia. DN | dia. D1 | H | HA | dia. LK | M | T |
| 562842 | K10.3 | 112 | 22 | 78 | 35 | 10 | 88 | 6xM6 | 25 |
| 562843 | K20.3 | 138 | 32 | 102 | 49 | 15 | 115 | 8xM6 | 34 |
*如果您有任何问题,反馈或意见,请填写下面的表格,我们会尽快回复你