产品中心
Product Center联系我们
地址:青岛市高新区宝源路780号青岛高新国际企业港46#103户
电话:0532-87836677
传真:0532-87836677
应用领域:
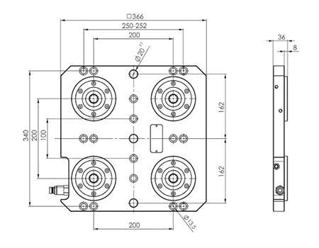
液压零点定位系统适用于T型槽间隙为63、100和125mm的机床工作台,通过M12的沉头螺栓紧固。至少有两个定位孔,以便准确定位。两个零点定位器之间的间距是200mm。液压快速接头是预先安装好的,气压除尘功能接口可选择性的接通。
优点:
总高度只有36mm。
说明:

| 订货号 | 尺寸 | 夹紧力可达[kN] | 拉紧力[kN] | 吹屑 | 重量[Kg] |
| 427500 | K10.2 | 4 x 10 | 4 x 25 | √ | 30,0 |
*如果您有任何问题,反馈或意见,请填写下面的表格,我们会尽快回复你